Transcend’in 7-pin SATA Flash Modülleri; özel boyutları sayesinde bilgisayarlarda, gömülü sistemlerde veya POS Sistemlerinde kullanılabilir. Yüksek kapasite ve yüksek aktarım hızları ile SATA Flash Modülleri kapasite ve hız ihtiyaçlarını karşılarken, zorlu şartlarda kullanılan endüstriyel sınıf ürünlerinde güvenilirlik sunmaktadır. Darbe ve titreşime karşı en yüksek dayanımı göstermektedir. Kilitli SATA girişi sayesinde çalışma esnasında yuvadan çıkması ve veri kaybı önlenmiştir.
Bu ürünün üretimi sona ermiştir. Bilgilendirme amaçlı olarak yayınlanmaktadır.
Özellikler
- 512MB/1GB/2GB/4GB kapasite seçenekleri

- RoHS uyumlu
- SATA 3.0Gbps standardını destekleyen işletim sistemi ve cihazları ile tam uyumlu
- Güvenilir veri saklama için Non-volatile Flash Memory yongaları
- Ultra DMA Mode 4 desteği
- Dahili ECC (Error Correction Code) işlevi ile güvenili veri aktarımı
- Mekanik veri koruma düğmesi
- 7 pin dişi (female) kilitli SATA bağlantısı
- Anakart üzerine doğrudan takılır, kablo gerektirmez
- Düşük güç tüketimi
- 3.3V / 5V Güç ihtiyacı
- Yüksek darbe dayanımı
Teknik Özellikler
- Ürün Kodu: TS512MSDOM7H, TS1GSDOM7H, TS2GSDOM7H, TS4GSDOM7H, TS8GSDOM7H,
TS1GSTM500-7H, TS2GSTM500-7H, TS4GSTM500-7H, TS8GSTM500-7H - Bağlantı Arayüzü : SATA, 7Pin
- Biçim Faktörü : SATA Flash Modül
- Yonga Ti,pi : SLC
- Kapasiteler: STM500-7H: 2GB/4GB/8GB
SDOM7H: 512MB/1GB/2GB/4GB - Azami Aktarım Hızları (Kapasiteye Bağlıdır)
STM500-7H: Okuma: 125MB/s, Yazma: 125MB/s
SDOM7H: Okuma: 49MB/s, Yazma: 30MB/s - Çalışma Gerilimi : 5V±10%/3.3±5%
- Güç Tüketimi :
STM500-7H: 1.57W
SDOM7H: 1.05W - Çalışma Sıcaklığı : 0℃~70℃
- Depolama Sıcaklığı : – 40℃~85℃
- Rutubet: 0%~95%
- Darbe Dayanımı: 1500G, 0.5ms, 3 eksen
- Titreşim Dayanımı :
Çalışma: 3G (Peak-to-Peak), 5Hz to 800Hz(Frekans)
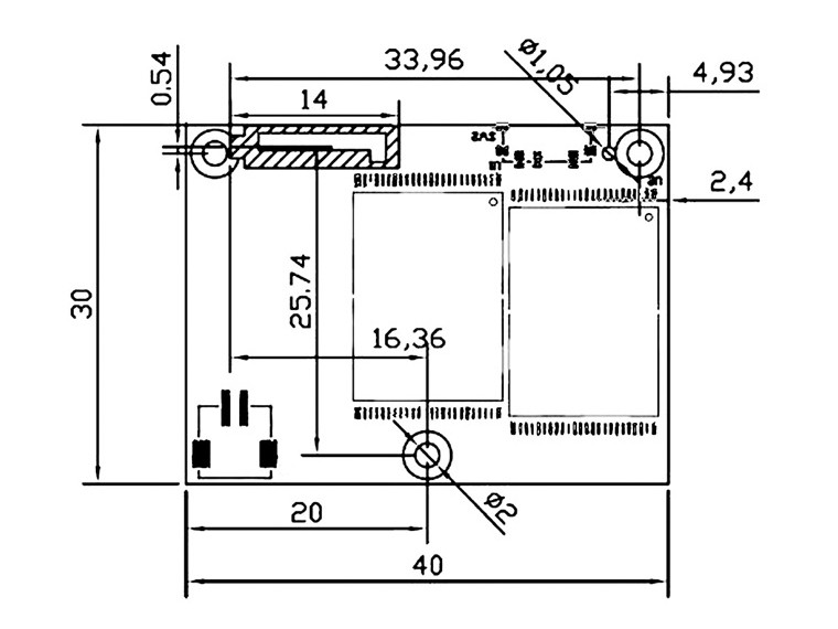
Bekleme: 5G (Peak-to-Peak), 5Hz to 800Hz(Frekans) - Boyutlar:
STM500-7H: 40.0mm × 30.0mm × 10.85mm
SDOM7H: 40.0mm × 30.0mm × 24.3mm - MTBF :1,000,000 saat
- Garanti : İki Yıl*
*Transcend Garanti Şartları ile ilgili detaylı bilgi için tıklayınız.








